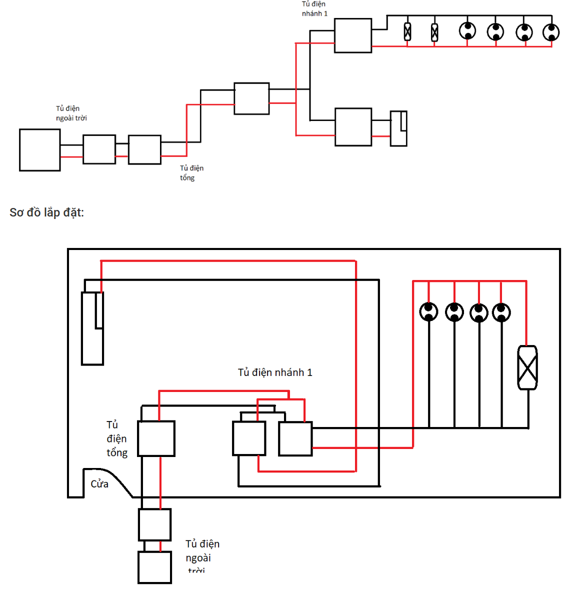
2. Hãy vẽ sơ đồ nguyên lí và sơ đồ lắp đặt hệ thống điện trong một phòng gồm có 2 bóng đèn, 1 điều hoà nhiệt độ, 2ổ cắm. dưới là 4 ổ cắm đổi thành 2 ổ cắm

<img src=https://minio.ftech.ai/cvdata/fqa/dev/public/illustration_images/d72f8ce0efc249adac60aca
rotate image
thumb up 0
thumb down
Trả lời câu hỏi của Yumiiii
  • Câu trả lời phải chính xác, đầy đủ dựa trên kiến thức xác thực:
    • ✔ Đối với câu hỏi trắc nghiệm: Đưa đáp án lựa chọn + giải thích lý do chọn đáp án.
    • ✔ Đối với câu hỏi tự luận: Đưa lời giải và đáp án cho câu hỏi.
    • ✔ Đối với câu hỏi trả lời ngắn: Đưa ra đáp án + giải thích lý do.
    • ✔ Chấp nhận sử dụng ảnh do thành viên viết tay, ảnh cần rõ nét, không bị mờ, vỡ ảnh.
  • Sử dụng ngôn ngữ rõ ràng, dễ hiểu.
  • Tránh đưa ra các ý kiến cá nhân mang tính chất chủ quan.
  • Nếu sử dụng thông tin từ nguồn khác, phải trích dẫn nguồn đầy đủ và chính xác.
  • Tuyệt đối không được sao chép các thông tin từ các trang khác, từ AI hoặc chatGPT.
CÂU TRẢ LỜI
avatar
Timi

20/11/2025

Trợ lý học tập AI - Câu trả lời này chỉ mang tính tham khảo
Để tạo ra một sơ đồ lắp đặt hệ thống điện cho một phòng có 2 bóng đèn, 1 điều hòa nhiệt độ, và 2 ổ cắm, bạn có thể tham khảo cấu trúc như sau: ### Sơ đồ Nguyên Lý: 1. **Nguồn điện chính**: Từ nguồn điện lưới sẽ đi vào tủ điện. 2. **Tủ điện**: Chia điện cho các thiết bị qua cầu dao. 3. **Bóng đèn**: Nối qua cầu dao riêng, mỗi bóng đèn sẽ có công tắc riêng để bật/tắt. 4. **Điều hòa**: Nối riêng với cầu dao và có công tắc điều khiển. 5. **Ổ cắm**: Hai ổ cắm nối với tủ điện để cung cấp điện cho các thiết bị khác. ### Sơ đồ Lắp Đặt: - **Phòng Khách**: - 1 bóng đèn (kết nối qua công tắc) - 1 ổ cắm - **Phòng Ngủ**: - 1 bóng đèn (kết nối qua công tắc) - 1 điều hòa nhiệt độ (nối riêng với cầu dao) - 1 ổ cắm ### Hướng Dẫn Kết Nối: - Từ tủ điện tổng, dòng điện sẽ được phân chia tới từng tủ điện nhánh cho phòng khách và phòng ngủ. - Các thiết bị sẽ được nối theo kiểu song song, để chúng hoạt động độc lập. - Đảm bảo rằng dây dẫn được kết nối đúng với nguồn (L) và trung tính (N). ### Lưu Ý: - Kiểm tra kỹ lưỡng các kết nối trước khi cấp điện. - Sử dụng các thiết bị điện phù hợp với công suất yêu cầu. Nếu cần thêm chi tiết hay cụ thể về cách lắp đặt, hãy cho tôi biết!
Hãy giúp mọi người biết câu trả lời này thế nào?
0/5 (0 đánh giá)
thumb up 0
thumb down
1 bình luận
Bình luận
avatar
level icon

Yumiiii

20/11/2025

Timi vẽ ra bằng sơ đồ
avatar
level icon
Táo Xanh

20/11/2025

Hãy giúp mọi người biết câu trả lời này thế nào?
0/5 (0 đánh giá)
thumb up 0
thumb down
0 bình luận
Bình luận

Nếu bạn muốn hỏi bài tập

Các câu hỏi của bạn luôn được giải đáp dưới 10 phút

Ảnh ads

CÂU HỎI LIÊN QUAN

FQA.vn Nền tảng kết nối cộng đồng hỗ trợ giải bài tập học sinh trong khối K12. Sản phẩm được phát triển bởi CÔNG TY TNHH CÔNG NGHỆ GIA ĐÌNH (FTECH CO., LTD)
Điện thoại: 1900636019 Email: info@fqa.vn
location.svg Địa chỉ: Số 21 Ngõ Giếng, Phố Đông Các, Phường Đống Đa, Thành phố Hà Nội, Việt Nam.
Tải ứng dụng FQA
Người chịu trách nhiệm quản lý nội dung: Đào Trường Giang Giấy phép thiết lập MXH số 07/GP-BTTTT do Bộ Thông tin và Truyền thông cấp ngày 05/01/2024
Copyright © 2023 fqa.vn All Rights Reserved